更多相關
GTJ-R800一體式鋼筋檢測儀
...
高鐵建 HT-225-A 混凝土回彈儀
HT-225-A混凝土回彈儀用途概述建筑、橋梁、隧道等混凝土結構抗壓強度無損檢測。產品特點※進口優質韓國SWP琴鋼彈簧抗彈減性能好,更耐疲勞;※NBR密封防塵圈,保證機芯清潔延長保養周期;※...
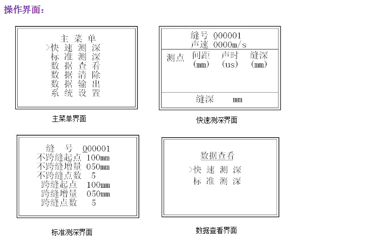
GTJ-FKY裂縫寬度測試儀
...
GTJ-LBY樓板厚度檢測儀
...
GTJ-4114土壤無核密度儀
...
GTJ-RBL鋼筋保護層測定儀
...
GTJ系列錨桿拉拔儀
...


銷售熱線:025-83708787
電子商務:025-83713119
技術服務:025-83709309
銷售電話:18151694144(姚經理)
銷售電話:18751875380(羅經理)
檢定維修:17314986887(李工)
服務 QQ :2547802335
電子郵箱:2547802335@qq.com
公司地址:南京市鼓樓區建寧路61號中央金地01幢401室
...
HT-225-A混凝土回彈儀用途概述建筑、橋梁、隧道等混凝土結構抗壓強度無損檢測。產品特點※進口優質韓國SWP琴鋼彈簧抗彈減性能好,更耐疲勞;※NBR密封防塵圈,保證機芯清潔延長保養周期;※...
...
...
...
...
...